一、进口水泵控制阀产品概述:
德国LOCKE洛克--进口水泵控制阀由主阀、电磁导阀、针型阀、球阀、止回阀、行程开关装置和压力表组成水力控制接管系统。阀门操作维护方便。只需操作水泵电机启动器的启闭按钮,阀门即按照水泵操作规程实现自动开闭。利用水作用力控制主阀先关闭开启高度的90%,再由行程开关控制水泵滞后关闭,然后主阀关闭,具有介质止回保护水泵的功能。是一种安装在高层建筑以及其他给水系统的水泵出口处,防止介质倒流的逆止类阀门。当水泵即将停止供水前,阀门先行缓慢关闭90%左右,防止突然停泵而产生的水锤或水击声;当水泵完全停止后,阀门再完全关闭,防止泵出的水回流,有效地保护水泵,免受回流的冲击而产生反转。该产品是水泵出口必不可少的保护装置。阀门呈流线型设计。通过电磁阀的导控实现准确的启闭。使用安全可靠,有效地防止水锤和水击声,使用寿命长,安装、维修方便。

二、进口水泵控制阀技术参数:
公称压力(Mpa) | 壳体试验压力(MPa) | 密封试验压力(MPa) | 适用介质 | 介质温度(℃) |
1.0 | 1.5 | 1.1 | 水 | 0-80 |
1.6 | 2.4 | 1.76 | ||
2.5 | 3.75 | 2.75 |
三、进口水泵控制阀工作原理:
当水泵工作阀门向下游供水时,电磁导阀全开,针阀调至适当开度,上游水经针阀、单向阀进入主阀控制室,经电磁导阀流出,此时主阀控制室的压力保持主阀处于合适的开度,保持下游正常供水。
当水泵停止工作时,电磁导阀先关闭,主阀控制室停止排水,控制室压力升高,主阀开始关闭。当关闭至90%时,主阀上部行程开关输出停泵信号,水泵停止运转。此时下游回水经单向阀进入主阀控制室,控制室压力升高,主阀被关闭。
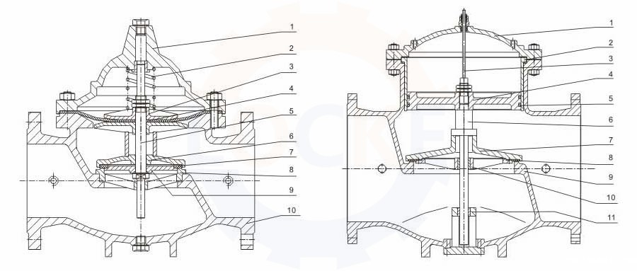
四、进口水泵控制阀结构图:

五、进口水泵控制阀零件材料:



客服1