一、进口减压稳压阀产品概述:
德国LOCKE洛克--进口减压稳压阀由主阀、导阀、针阀、球阀、微型过滤器和压力表组成水力控制接管系统。使用时,当调定出口压力后,能自动保持稳定出口压力。进口减压稳压阀是一种利用介质自身能量来调节与控制管路压力的智能型阀门。进口减压稳压阀用于生活给水、消防给水及其他工业给水系统,通过调节减压导阀,即可调节主阀的出口压力。出口压力不因进口压力、进口流量的变化而变化,安全可靠地将出口压力维持在设定值上,并可根据需要调节设定值以达到减压目的。该阀减压精确,性能稳定、安全可靠、安装调节方便,使用寿命长。
二、进口减压稳压阀技术参数:
公称压力(Mpa) | 壳体试验压力(MPa) | 密封试验压力(MPa) | **进口压力(MPa) | 出口可调压力(MPa) | 适用介质 | 介质温度(℃) |
1.0 | 1.5 | 1.1 | 1.0 | 0.09-0.8 | 水 | 0-80 |
1.6 | 2.4 | 1.76 | 1.6 | 0.10-1.2 | ||
2.5 | 3.75 | 2.75 | 2.5 | 0.15-1.6 |
三、进口减压稳压阀工作原理:
当阀门从进口端给水时,水流过针阀进入主阀控制室,出口压力通过导管作用到导阀上。当出口压力高于导阀弹簧设定值时,导阀关闭。控制室停止排水,此时主阀控制室内压力升高并关闭主阀,出口压力不再升高。
当阀门出口压力降到导阀弹簧设定压力时,导阀开启,控制室向下游排水。由于导阀系统排水量大于针阀的进水量,主阀控制室压力下降。进口压力使主阀开启。在稳定状态下,控制室进水、排水相同,主阀开度不变,出口压力稳定。
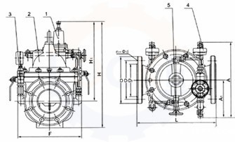
四、进口减压稳压阀结构图:
五、进口减压稳压阀零件材料:
零件名称 | 零件材料 |
阀体 阀盖 | WCB |
阀座 阀盘 | 铜合金 |
密封圈 O型圈 | 橡胶 |
阀杆 | 2Cr13 |
弹簧 | 50CrVA |
针型阀 | 铜合金 |
球阀 | 铜合金 |
浮球阀 | 铜合金 |
微型过滤器 | 不锈钢 |




客服1