一、进口流量控制阀产品概述:
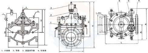
德国LOCKE洛克--进口流量控制阀由主阀、流量调节阀、针阀、导阀、球阀、微形过滤器和压力表组成水力控制接管系统。利用水力自动操作,控制和调节主阀开度,使通过主阀的流量保持不变。本产品利用水力自力控制,不需要其它装置和能源,保养简便,流量控制稳定。本系列阀门产品广泛用于高层建筑、生活区等供水管网系统及城市供水工程。

二、进口流量控制阀技术参数:
公称压力(Mpa) | 壳体试验压力(MPa) | 密封试验压力(MPa) | 出口可调压力(MPa) | 压力特性 | 流量特性 | 适用介质 | 介质温度(℃) |
1.0 | 1.5 | 1.1 | 0.09-0.8 | P2×8% | P2×15% | 水 | 0-80 |
1.6 | 2.4 | 1.76 | 0.10-1.2 | P2×10% | P2×20% | ||
2.5 | 3.75 | 2.75 | 0.15-1.6 | P2×12% | P2×25% |
三、进口流量控制阀工作原理:
当阀门从进口端给水时,水流过针阀进入主阀控制室,并经过导阀、球阀流出主阀控制室到出口,此时主阀处于全开或浮动状态。调定主阀上部的流量调节阀,可为主阀设定一定开度。调节针阀开度和调节导阀弹簧压力,即可使主阀开度保持在设定开度,并在压力变化时导阀进行自动调节,保持流量不变。
四、进口流量控制阀结构图:
五、进口流量控制阀零件材料:
零件名称 | 零件材料 |
阀体 阀盖 | WCB |
阀座 阀盘 | 铜合金 |
密封圈 O型圈 | 橡胶 |
阀杆 | 2Cr13 |
弹簧 | 50CrVA |
针型阀 | 铜合金 |
球阀 | 铜合金 |
浮球阀 | 铜合金 |
微型过滤器 | 不锈钢 |



客服1